Unit 4 - Notes
Unit 4: Introduction to Combinational Logic Circuits
1. Overview of Combinational Logic
Definition: A combinational logic circuit is a digital system where the output depends only on the present combination of inputs. Unlike sequential circuits, combinational circuits do not have memory elements; their state changes immediately when input changes.
Key Characteristics:
- No Memory: Does not store past events.
- No Feedback: Output is not fed back into the input.
- Speed: Faster than sequential circuits (limited only by propagation delay of gates).
- Building Blocks: Logic gates (AND, OR, NOT, NAND, NOR, XOR).
2. Arithmetic Circuits
Arithmetic circuits are used to perform mathematical operations on binary numbers. The most fundamental operations are addition and subtraction.
2.1 Adders
Half Adder
A combinational circuit that adds two 1-bit numbers.
- Inputs: A, B
- Outputs: Sum (S), Carry (C)
Truth Table:
| A | B | Sum (S) | Carry (C) |
|---|---|---|---|
| 0 | 0 | 0 | 0 |
| 0 | 1 | 1 | 0 |
| 1 | 0 | 1 | 0 |
| 1 | 1 | 0 | 1 |
Boolean Expressions:
- Sum (S): (XOR operation)
- Carry (C): (AND operation)
Full Adder
A Half Adder has a limitation: it cannot accept a carry from a previous stage. A Full Adder adds three bits: two significant bits and an incoming carry ().
- Inputs: A, B,
- Outputs: Sum (S), Carry Out ()
Boolean Expressions:
- Sum (S):
- Carry Out ():

2.2 Subtractors
Half Subtractor
Used to subtract two 1-bit numbers (A - B).
- Inputs: A (Minuend), B (Subtrahend)
- Outputs: Difference (D), Borrow (B)
Boolean Expressions:
- Difference (D):
- Borrow (B): (NOT A AND B)
Full Subtractor
Performs subtraction on two bits taking into account a borrow from a previous lower significant stage ().
- Inputs: A, B,
- Outputs: Difference (D), Borrow Out ()
Boolean Expressions:
- Difference (D):
- Borrow Out ():
3. Data Selection and Distribution Circuits
3.1 Multiplexers (MUX)
Also known as a Data Selector. A multiplexer allows digital information from several sources to be routed onto a single output line.
- Function: Many-to-One.
- Inputs: data inputs ( to ).
- Select Lines: selection lines ( to ).
- Output: 1 output line (Y).
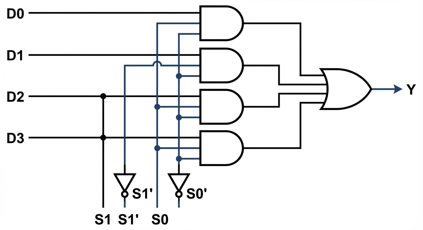
4:1 Multiplexer Example
- Inputs:
- Select Lines: (Because )
- Output: Y
Logic Equation:

3.2 De-multiplexers (DEMUX)
Also known as a Data Distributor. It performs the reverse operation of a multiplexer.
- Function: One-to-Many.
- Input: 1 data input (D).
- Select Lines: selection lines.
- Outputs: output lines.
1:4 De-multiplexer Example
- Input: D
- Select Lines:
- Outputs:
The select lines determine to which output the input data (D) is transmitted. For example, if , then and all other outputs are 0.
4. Code Converters
4.1 Decoders
A combinational circuit that converts binary information from input lines to a maximum of unique output lines. It detects the presence of a specific binary number at the input.
- Relationship: Inputs Outputs.
- Common Use: Memory address decoding, instruction decoding.
2-to-4 Line Decoder
- Inputs: A, B
- Enable: E (Active Low or High, usually included to turn the chip on/off).
- Outputs:
Logic:
- If inputs are 00, is active.
- If inputs are 01, is active.
- If inputs are 10, is active.
- If inputs are 11, is active.
4.2 Encoders
An encoder performs the inverse operation of a decoder. It converts an active input signal into a coded binary output signal.
- Relationship: Inputs Outputs.
- Note: Only one input line can be active at a time (unless it is a Priority Encoder).
4-to-2 Line Encoder
- Inputs:
- Outputs:
Logic Expressions:
(Note: is not connected to any OR gate because if is high, the binary output is 00).
5. Magnitude Comparators
A comparator compares two binary numbers (A and B) and determines their relative magnitude. It has three outputs:
- A > B
- A = B
- A < B
5.1 1-Bit Magnitude Comparator
Compares two single bits, A and B.
Logic Logic:
- Equality (A = B): (XNOR operation). Output is 1 if A and B are the same.
- Greater Than (A > B): (A is 1, B is 0).
- Less Than (A < B): (A is 0, B is 1).
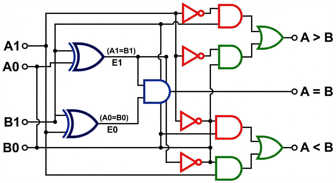
5.2 2-Bit Magnitude Comparator
Compares two 2-bit numbers: and .
Here, and are the Most Significant Bits (MSB).
Comparison Logic Steps:
-
Equality ():
Both the MSBs must be equal AND the LSBs must be equal.
Let and .
-
Greater Than ():
A is greater than B if:- MSB of A is greater than MSB of B (), OR
- MSBs are equal () AND LSB of A is greater than LSB of B ().
-
Less Than ():
A is less than B if:- MSB of A is less than MSB of B (), OR
- MSBs are equal () AND LSB of A is less than LSB of B ().
